ATENCIÓ: Escriviu les respostes a una altra fulla. No escriviu RES en aquesta fulla (NI tan sols el NOM)
TECNOLOGIA.
(en aquest apartat es donen una llista de 5 paraules (d’eines, materials i operadors) poc conegudes i 5 números que els alumnes han de memoritzar en menys de 2 minuts i després escriure-les en el seu paper)
2. Contesta, en el full de respostes, els exercicis següents:
a) Busca la paraula que falta enmig de la segona linia.
CUERPO - POCO - COSA
HOJA -?????- BONSAI
b) Quina figura de la dreta encaixa en el quadrat del mig de l'esquerra?

3. Realitza les següents operacions sense utilitzar calculadora (ni el mòbil :) )
|
a) 9+7+5 |
b) 8+351+46 |
c) 24.57+ 3.41+ 205.2 |
d)8-3 |
|
e) 7-9 |
f) 452-88 |
g) 732.5-234.32 |
h) 8·7 |
|
i) 84·32 |
j) 3.45·23.4 |
k) 9:3 |
l) 315:8 |
|
m) 536 : 24 |
n) 24.3: 6.4 |
o)1/6 + 3/6 |
p) 1/3 + 1/7 |
|
q) 2/5 + 6/4 |
r) 8/3 - 6/8 |
s) 8 ^2 |
t) arrel de 64 |
4. Seguint les instruccions del professor, còpia el que us indiqui
(es posen a la pissarra, durant 5 minuts cada un) dos cartells: un esquema i un dibuix, per a comprovar la capacitat de copiar identicament a la pissarra)5. Llegeix el següent text i contesta les preguntes que hi ha després.
6. Dibuixa, sense instruments de dibuix:
a) dues línies paral·leles b) un triangle c) un rectangle d) un quadrat e) un cercle f) un angle recte g) un angle agut h) un angle obtús i) un rombo j) una el·lipsi
7. a)Quants centímetres hi ha a 1 metre? b) Quants milímetres hi ha a 1 cm? c) Quants milímetres hi ha 32 cm? d) Quants centímetres hi ha a 0,6 metres? e) Quants centímetres quadrats (cm2) hi ha a 1 metre quadrat (m2)?
9) Posa el nom de les ferramentes que hi ha dibuixades i explica per què serveixen

10) Indica de quin color solen ser, per a qué s'utilitzen i a quin grup pertanyen (metalls, ceràmics o orgànics) els següents materials.
a) Ferro b) Formigó c) Fusta d) Cotó e) Coure f) Alumini g) Vidre h) Acer i) Porcellana j) Polietilè.
ATENCIÓ: Escriviu les respostes a una altra fulla. No escriviu RES en aquesta fulla (NI tan sols el NOM)
PROVA DE TECNOLOGIA.
1. Dibuixa un croquis acotat de les vistes de la figura
(Cada ratlla representa 1 cm) 
2. Escriu, per ordre, les etapes del procés tecnològic o procés de disseny.
3. Apunta el nom de les diferents parts o documents que tenen els projectes, correctament ordenades i indicant els apartats de cada part.
4. Posa el nom dels operadors mecanics que hi ha dibuixats

5. Escriu el nom i la utilitat de les eines que tens dibuixades

6. Dibuixa el símbol gràfic dels seguents operadors elèctrics
a) Pila b) Commutador c) Bombeta d) Polsador e) Generador f) Endoll
g) Interruptor h) Brunzidor i) Resistència j) Commutador d'encreuament.
7. Explica a quin grup de materials pertanyen els de la llista següent i per a què serveixen
a) Llana b) Aglomerat c) Ferro d) Fusta massissa o natural e) Alumini
f) Cotó g) Contraplacat h) Plàstic i) Fibra de fusta j) Coure.
8. Quins són els càrrecs habituals dels grups de treball? Quines funcions tenen?. Quines són les normes bàsiques de funcionament a l'aula-taller?
9. Indica quines són les parts bàsiques dels ordinadors i quins tipus de perifèrics poden tenir.
10. Defineix els següents conceptes: subsidi d'atur, treball autònom, sindicat, pensió de jubilació, PIME.
ATENCIÓ: Escriviu les respostes a una altra fulla. No escriviu RES en aquesta fulla (NI tan sols el NOM)
PROVA DE TECNOLOGIA.
1. Dibuixa un croquis acotat d'acord amb l'escala indicada, de les vistes de la figura.
(cada ratlla representa 1 cm) 
2. Escriu, per ordre, les etapes del procés tecnològic o procés de disseny.
3. Apunta el nom de les diferents parts que tenen els projectes, correctament ordenades i indicant els apartats de cada part.
4. Posa el nom dels operadors mecànics que hi ha dibuixats, indica la seva funció i calcula les relacions de transmissió que puguis.

5. Indica quin és el tipus principal d'esforç que han d'aguantar els següents objectes.
a) Pates de taula b) Pont c) Cable d'ascensor d) Tornavis de cap pla e) Mànec de martell
6. Fes un esbós o croquis d'un motor de cotxe (basta 1 cilindre) i apunta el nom de totes les parts que sapigues.
7. Explica quins són i com actuen els elements elèctrics de protecció i control d'un habitatge.
8. Escriu el nom i la utilitat de les eines que tens dibuixades

9. Posa el nom dels operadors elèctrics que apareixen dibuixats al circuit, explica com funciona i calcula la intensitat que circula per la bombeta.

10. Indica quin és el material més adequat per fabricar els objectes de la següent llista, i apunta quina és la propietat o característica que el fa més adequat per fer l'objecte (propietat funcional).
a) Cable elèctric b) Taula de menjador c) Clau anglesa d) Pneumàtic de cotxe
e) Fuselatge d'avió f) Columna d'una casa g) Cotxe de jugueroi h) Bufanda
i) Plat j) Cullera.
ATENCIÓ: Escriviu les respostes a una altra fulla. No escriviu RES en aquesta fulla (NI tan sols el NOM)
PROVA DE TECNOLOGIA.
1. Dibuixa un croquis acotat d'acord amb l'escala indicada, de les vistes de la figura.
(cada ratlla representa 1 cm)
2. Escriu, per ordre, les etapes del procés tecnològic o procés de disseny i apunta el nom de les diferents parts que tenen els projectes tècnics.
3. Defineix els següents termes, indicant on es fan servir: a)Ona portadora, b)multiplexació, c)actuador, d)porta lògica, e)senyal analògic f)sensor, g) router, h)circuit integrat i)gateway
4. Posa el nom dels operadors que hi ha dibuixats, indica el camp de la tecnologia on es fan servir i la seva funció:

5. Indica quin és el tipus principal d'esforç que han d'aguantar els següents objectes i de quin material el construiries, explicant el motiu.
a) Pates de taula de menjador b) Pont d'una carretera c) Cable d'ascensor d) Broca per a fusta e) Mànec de martell
6. a) Apunta quins són i com actuen els elements elèctrics de protecció i control d'un habitatge.b) Explica on estàn col·locats i com estan connectats
7. Contesta les següents preguntes: a)Què és la tecnologia? b) Què preten la tecnologia? c)Quins són els seus perills? d) Com es poden evitar els efectes negatius?
8. Escriu el nom i la utilitat de les eines que tens dibuixades

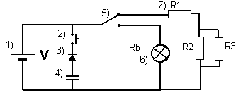
9. a) Indica el nom de cada operador que hi ha al següent circuit. b-c)Calcula la intensitat que subministra la pila i la que circula per la bombeta en les dues posicions de l'operador 5). d) Què passa quan s'acciona l'operador 2).

Va = 5 V.
Rb = 10
WR1 = 1
WR2 = 5
WR3 = 10
W
10. a) Explica les passes per dibuixar amb un programa de DAO un quadrat de 10 cm de costat situat a 25 mm del costat esquerra i 10 mm de l'inferior? b) Què fa el següent programa escrit en QBASIC?
10 REM PROVA
20 INPUT;"Base?: "; B
30 WHILE B > 0
40 INPUT "Alçada?:"; H
45 A=B*H
47 P=2*(B+H)
50 PRINT "AREA= ";A
60 PRINT "PERÍMETRE= ";P
70 INPUT; "Base?: "; B
80 WEND
90 END